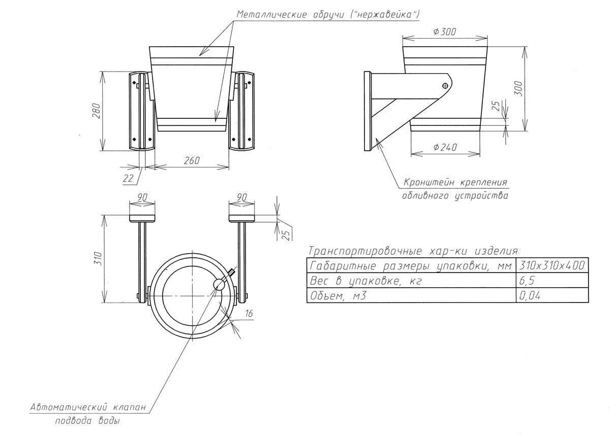
Описание конструкции обливного приспособления для бани
Типовые конструкции обливных устройств имеют одно общее свойство – все они закрепляются на вертикальной стене с помощью деревянного кронштейна. Поэтому надежность крепления всей конструкции приобретает наиважнейшее значение. Халатное отношение к этому может привести к серьезным травмам, да и то, если повезет. Что может произойти, когда обливное устройство обрушится Вам на голову, не трудно себе представить.
Предлагаемое обливное устройство лишено этого риска, так как его монтаж производится на горизонтальном основании, например, на верхнем торце перегородки у душевой. Вот так, как показано на этой картинке.
Правда, не всегда может подойти такая схема крепления. Тогда придется использовать обливное приспособление с вертикальным креплением к стене. Но, если есть возможность выбора, то советую остановиться именно на горизонтальном расположении.
Теперь рассмотрим основные узлы нашего бондарного изделия.
Емкость для воды
Краткая характеристика емкости для воды:
- Полный объем внутренней полости ведра: 26 литров.
- Объем заливаемой воды при закрытом впускном клапане: 17-18 литров.
- Материал: дубовая доска толщиной 20 мм.

- Емкость для воды.
- Вертикальный держатель.
- Стальной уголок.
- Обруч.
- Ось вращения.
- Отверстие для веревки.
- Анкерный болт.
- Впускной клапан.
- Скоба крепления оси вращения.
Как уже было сказано выше, изготовление емкости для воды следует делать по методике изготовления запарника с крышкой для банных веников.
На этом эскизе приведены размеры клепок, по которым и следует их изготовить.
Примечание если нет возможности достать дубовую доску, то можно изготовить емкость для воды из другого материала, например, из сосны, пихты, черной ольхи или другой подходящей древесины.
Кронштейн для крепления обливного устройства
Все детали этого узла изготавливаются из простой древесины. Сосна – вполне подходящее дерево. Сборка всех элементов производится саморезами по дереву. Для придания большей прочности вертикальным держателям, они дополнительно скреплены стальными уголками.
На верхнем торце держателя выбран радиальный паз для оси вращения, закрепляемого к емкости для воды. На основании просверлены четыре отверстия диаметром 13 мм под анкерные болты.
Ось вращения
Представляет собой узел, состоящий из стандартных крепежных деталей.
- Гайка M12 со сферическим концом.
- Втулка резьбовая.
- Гайка M12 – 4 шт.
- Прокладка резиновая с внутренним диаметром 12 мм.
- Прокладка под болт.
- Болт.
- Шайба увеличенная M12.
Вам остается подобрать подходящие детали из расчета длины резьбовой втулки, равной 25-30 мм. Две левые шайбы ограничивают ход обливного ведра в горизонтальном направлении.
Впускной клапан
Представляет собой обыкновенный впускной клапан, который используется в сливных бачках. Подобрать его не составит никакого труда в любом сантехническом магазине.
Изготовление обливного устройства своими руками
Система регулирования уровня воды комплектуется готовым «русским душем». В самом простом исполнении ее принцип действия схож с тем, как работает бачок в унитазе. Если вы захотите соорудить такое устройство сами, потребуется обустроить емкость такой системой контроля, а также подвести воду посредством пластиковой трубы или шланга – подойдет любой гибкий шланг, например от душа.
В качестве крепежа можно использовать два стальных кронштейна, лучше, если это будет нержавейка.
Сложнее всего соорудить подвижный механизм обливной системы. К металлическим бакам, как правило, приваривают, или крепят любым иным способом, «ушки». В местах, где крепление привариванием или клепкой затруднено, можно воспользоваться хомутами или стержнем из нержавеющей стали, который пропускается через всю емкость.
Самая простая и практичная обливная система
Данная конструкция предполагает использование обливного ведра в буквальном смысле. Достоинством считается то, что сделать ее без чьей-либо помощи сможет даже человек, не имеющий достаточных навыков работы с деревом.
Понадобится простое ведро из пластика, которое нужно будет отделать шлифованными планками. Лучше, если по периметру получится одеть обруч, в противном случае придется ограничиться посадкой планок на клей. Получившиеся стыки можно заделать прозрачным герметиком.
Нержавеющий прут можно заменить деревянным, который либо вытачивается, либо приобретается готовым. Он также без труда выдержит нужную нагрузку, главное, чтобы материал не имел трещин, сучков и иных изъянов.
Дополнительно потребуется установить систему контроля воды. Подойдет все тот же поплавок с клапаном от унитаза. Далее в стенке, к которой будет подведена вода, просверлите отверстие, промажьте герметиком, вставьте систему и подсоедините гибкий шланг. Теперь можно считать, что самодельное ведро-водопад готово.
Принцип действия устройства. Процесс монтажа обливного устройства
Рассмотрим детально принцип действия устройства.
Укрепленный снаружи металлическими кольцами, обливное ведро для бани представляет из себя деревянный резервуар конкретного объема. Готовая конструкция устанавливается в настенном либо потолочном варианте на специальную наклонную систему с помощью металлических кронштейнов.
Монтировать обливное устройство для бани необходимо там, где предусмотрен постоянный доступ к воде и обустроена система слива.
Изделия оснащаются пропускными клапанами, принцип действия которых аналогичен сливной кнопке в унитазном бачке.А в дальнейшем уже после опрокидывания емкости – опускается вниз, в дальнейшем уже после наполнения ведра водой, клапан всплывает в верхнюю часть конструкции.
Для автоматической подачи воды емкость соединяется с водопроводными трубами шлангами гибкого типа.
Технически процедура обливания с использования обливного устройства производится соотвествующим образом: готово к эксплуатации, ведро душ для сауны наполняется водой. Чем сильнее воздействие на веревку, тем больший объем воды выливается на человека.Тянет за веревку, прикрепленную снаружи, в дальнейшем уже после чего емкость опрокидывается и выливает воду, банщик становится под ним.
Теперь давайте рассмотрим более детально процесс монтажа обливного устройства.
К тому же настенное покрытие отличается высокими водоотталкивающими свойствами, нередко ведро для обливания в бане монтируется в моечном отделении, где предусмотрена система подвода и слива воды. Самый простой вариант реализации обливного душа – ручное наполнение ведра водой без необходимости дополнительного подвода воды.
_
Покрытие — верхний слой пола, непосредственно подвергающийся эксплуатационным воздействиям. (СНиП 2.03.13-88); — верхнее ограждение здания для защиты помещений от внешних климатических факторов и воздействий. При наличии пространства (проходного или полупроходного) над перекрытием верхнего этажа покрытие именуется чердачным. (СНиП II-26-76); — верхняя ограждающая конструкция, одновременно выполняющая несущие, гидроизолирующие, а при бесчердачных (совмещенных) крышах и при теплых чердаках также теплоизолирующие функции. (ВСН 35-77)
Многие банщики выбирают уличный вариант установки ведра – на стене у входа в баню. Наполнение воды может быть автоматическим (требуется дополнительный подвод воды) или ручным.
Способные выдерживать вес изделия до 60 кг, для фиксации используются кронштейны.К бокам емкости привариваются ушки-держатели, чтобы создать механизм опрокидывания. Классический способ монтажа предусматривает использование крепежей из нержавеющей стали. Более простой вариант – установка металлического стержня, пронизывающего верхнюю часть емкости насквозь.
Определение оптимальной высоты монтажа
Самый ответственный момент при оборудовании изделия – расчет оптимальной высоты монтажа.Руки подняты вверх, замер высоты, на высокий рост высота определяется в индивидуальном порядке – в положении стоя. На средний рост высота составляет от 200 до 220 см. К значению добавляется размер ведра (высота от основания до верхней точки).
_
Положение — логическая единица содержания нормативного документа. (СНиП 10-01-94)
Подведение воды к месту монтажа
Когда водопроводная труба прокладывается на высоту фиксации ведра, более сложный способ установки системы предусматривает подготовительное подведение воды. На расстоянии 120–150 см устанавливается водяной кран.
Далее к трубе подсоединяется шланг в оплетке из нержавейки либо резины. Свободный конец подводится к поплавковому клапану, который контролирует уровень воды в емкости.
_
Уровень воды — высота поверхности воды в водном объекте над условной горизонтальной плоскостью сравнения. (ГОСТ 26775-97)
На этом предварительный этап завершается, в дальнейшем уже после чего можно приступить к тестированию готовой системы.
Технические требования и советы по монтажу
Нехитрое новшество заинтересует каждого владельца собственной бани и чтобы не быть белой вороной и знать что вам нужно, рассмотрим рекомендательные советы по обустройству механизма.
Размер обливного ведра может быть любым: большое, среднее или маленькое – здесь только ваши предпочтения. А вот расположение механизма нужно предварительно продумать, чтобы впоследствии не пришлось его переустанавливать.
В большинстве случаев «перевертыш» устанавливают в моечном отделении на стене или перегородке, так, чтобы выйдя из парилки можно было сразу встать под него и охладиться. Здесь и система отвода воды налажена и подача есть. Хотя для мини-водопада централизованная система необязательна. Можно на время принятия процедур пускать отдельный шланг из накопителя, или же наливать воду вручную. Последний вариант не совсем удобный, но за неимением лучшего и он подойдет. В небольших банях обливное устройство монтирую на улице. В таком случае можно пользоваться и дождевой водой, предварительно установив емкость для сбора и организовав отвод в самодельную конструкцию.
Самый ответственный момент в работе – определение высоты установки. Для человека со средним ростом рекомендованы показатели в — 2 или 2,2 метра. Высокорослым пользователям в самый раз уровень в 2,6–2,8 м. Определите средний рост членов вашей семьи. Если намечается сильный разброс – монтируйте систему на высоте, рекомендованной для рослого человека. Пользоваться самодельным водопадом смогут все, просто нужно будет сделать немного длиннее веревку приводящую механизм в действие. Еще одной рекомендацией будет совет не устанавливать ополаскиватель рядом с освещением бани.

Определившись с местом установки ополаскивателя, присмотритесь к выбору кронштейнов. Приобретайте только модели из нержавеющей стали. Самостоятельно изготавливая детали, тоже выбирайте металл устойчивый перед влагой. Кронштейны должны выдерживать общий вес емкости заполненной водой. Создавая подвижное соединение, опрокидывающее ведро приварите к держателю металлические скобы. А еще проще вмонтировать в держатель стержень, проходящий через емкость.
Просто, как и все гениальное
Обливное устройство для бани, при всей своей простоте, а на чей-то искушенный взгляд, и откровенной примитивности — чрезвычайно эффективный банный инструмент. Если ныряя в прорубь человек погружается в нее ногами, то опрокидывая на себя ведро ледяной воды, моментальное охлаждение происходит в обратном направлении. Впрочем, в большинстве случаев ощущения оказываются близкими по накалу страстей и фонтану эмоций. Очень резкое изменение температуры окружающей среды и резкое охлаждение поверхности тела очень серьезная встряска для организма. Как там у классика? «Все то, что нас не убивает, делает нас сильнее». Такая процедура, по заверениям некоторых пламенных почитателей, имеет следующие положительные качества:
- Прекрасно тренирует сердечно сосудистую систему. Для подобной процедуры, как и для любого брендового продукта придумали яркое и броское название- «гимнастика для сосудов».
- Повышает тонус и тургор кожных покровов, делая их сильными и упругими. Безусловно, холод, как активный раздражитель, инициирует усиленную микроциркуляцию крови и снабжение кожи питательными веществами и кислородом.
- Усиливается обмен веществ, кратковременно повышается давление в магистральных сосудах, растет пульс. Любая физиологическая активность вынуждает организм сбросить балласт, активировать скрытые резервы.
- Как следствие, повышается общая сопротивляемость организма на иммунном уровне.
- Наконец, такая процедура здорово бодрит, и в этом процессе, ей вряд ли можно подыскать серьезных конкурентов.
Есть, правда и минусы. И у противников этого действа, также полный рукав козырей, читай, аргументов:
- Для организма это шоковое состояние, а любой шок, в том числе разнознаковый температурный — непростое испытание для сердца и сосудов. Если в этом плане не все в порядке — стоит поостеречься.
- Голова человека, а особенно теменная часть черепа — одна из самых уязвимых локаций организма в целом. Поэтому, при обливаниях стоит об этом не забывать.
- Обливное ведро для бани, при некорректном употреблении большого количества воды, может спровоцировать проявление синдрома шейного радикулита, обусловленного воспалительными процессами в корневой части нервных окончаний, из за резкого перепада температуры или ущемлениями чисто механической природы, от непроизвольного резкого движения головой.
В любом случае, жить — вредно, но умеренность и взвешенность в подходах к любым банным процедурам — признак высокой культуры.
Коротко об устройстве
Ведро для обливания в бане представляет собой деревянную емкость, собранную посредством металлических, желательно нержавеющих, обручей из отдельных элементов — клепок, плотно подогнанных друг к другу или соединенных посредством схемы «шип — паз», минимизирующее или вообще исключающее протекание воды.

Вообще вопрос рассыхания у цельнодеревянных конструкций стоит очень остро. Емкость всегда должна быть наполнена водой. В современных условиях это решается подведением водопроводной воды или воды от насоса скважины в банное ведро и оснащение его системой автоматического наполнения, с отсечкой по уровню посредством поплавка, как в бачке унитаза. Надежно и практично. Главное условие, чтобы внутри банного помещения в холодное время года всегда была положительная температура, исключающая замерзание воды как в ведре, так и в питающей системе.
Если такой возможности нет, а порою, банально нет системы водоснабжения, тогда ведро обливное для бани наполняется вручную, по мере расходования из него воды. А проблема рассыхания решается предварительным замачиванием. За 3 — 4 часа до процедуры емкость доверху наполняется горячей водой, чтобы разбухшая древесина выбрала зазоры, и течи устранились.
Стоит отметить, что ведро для сауны, само по себе не самодостаточно. Чтобы система работала, она должна быть оснащена опрокидом и несущей рамой. Несущая рама, как жесткая конструкция, крепится к стене неподвижно, на высоте достаточной для нахождения под ней рослого человека, с другой, обеспечить свободный ход ведра, не допуская зацепов за потолок. Как правило, это расстояние составляет примерно 2150 — 2200 мм от уровня пола. Сам механизм качения может быть самым разнообразным, начиная от подшипников и заканчивая торсионами. Единственное условие — четкий ход во всех пространственных положениях, невозможность срыва и доступность быстрого демонтажа для планового обслуживания емкости. Ведро душ для бани, как правило, имеет емкость от 10 до 30 литров, поэтому система крепления и подвеса, должна быть спроектирована на 4-ех кратное превышение по запасу прочности.
Как правильно использовать
Процедура обливания с помощью ведра-водопада начинается с психологической подготовки к резкому потоку холодной воды. После того, как человек будет эмоционально готов, следует быстро вступить на место обливания и просто резко дернуть веревку. Сила потока зависит от резкости движения, переворачивающего ведро. Если дернуть несильно, то холодная вода будет выливаться постепенно, а при сильном дергании весь объем воды выливается сразу же, мгновенно охлаждая разгоряченное тело. Именно резкий контраст температур обеспечивает оздоровительный эффект. Данную процедуру следует завершить обтиранием полотенцем.
Конструктивное исполнение
Особенность ведра — в том, что оно может изготавливаться из разных материалов. Независимо от этого конструкция всегда будет одинаковая, что является преимуществом, так как не придется долго искать подходящую модель.
Каждое обливное устройство состоит из 4 главных частей:
- Само ведро, емкостью 10-20 литров, выбор зависит от количества пользователей;
- Фиксирующие детали, чтобы конструкция легко устанавливалась в различные помещения;
- Автоматическая система контроля воды поможет набрать необходимое количество жидкости, чтобы она не переливалась через края;
- Веревка или цепь для быстрого опрокидывания ведра.
Ничего сложного в устройстве нет, что преимущество, так как не придется использовать сложные механизмы. Многие производители изготавливают приспособления из дерева, потому что оно лучше всего сочетается с интерьером классической бани. Единственный недостаток решения – трудная эксплуатация. Потому что перед установкой, человеку потребуется заполнить емкость водой и дать настояться некоторое время. Это действие необходимо, поскольку способствует набуханию дерева.
Также важно понимать, что конструкцию нельзя оставлять пустым на несколько дней, потому что емкость может высохнуть из-за чего вода начнет просачиваться через образованные трещины. Но есть и обратная сторона – жидкость не должна постоянно находиться внутри, так как это приведет к тому, что она испортится, а внутренняя часть ведра покроется неприятной слизью, а в некоторых случаях вовсе почернеет
Важно соблюдать золотую середину, чтобы не было никаких непредвиденных проблем.
Но если человек не может постоянно находиться на даче, где установлена баня, достаточно купить ведро с пластмассовой вставкой, также подойдет нержавеющая сталь. Внешняя часть будет полностью изготовлена из дерева, но внутренняя будет иметь устойчивый к воде материал. Конечно, по сравнению со стандартными пластиковыми ведрами такое решение обойдется дороже.
Способ №1
Не рекомендуется пользоваться новым деревянным ведром, предварительно его не пропарив. Для этого примерно за три дня до его использования необходимо в него налить крутой кипяток, плотно закрыть и оставить до полного остывания воды. Доски разбухнут и исчезнут щели.
После использования ведро обязательно нужно помыть. Для этого кладут на его дно несколько крупных кусков негашеной извести, заливают водой и плотно закрывают. Пар, образующийся внутри, пропитает все доски и извлечет из них кислоты и танин.
Примерно через 3 часа известковую воду выливают и заливают уже чистую воду и тщательно промывают внутреннюю поверхность. Ведра, обработанные известковой водой, практически никогда не плесневеют.
Что это такое
Устройство и принцип действия
Практически каждый человек, хоть раз в жизни, опрокидывал на себя холодную воду из ведра или другой посудины. Такая простая процедура дает просто поразительный эффект: дух захватывает от потока холодной воды .
И соответственно, многим людям приходит в голову такая идея, как устройство обливного устройства для бани. Ведь это не сложно, потому что у него простая конструкция, позволяющая выполнить установку в любое место бани, только был бы подвод воды и обустроена канализация.
Обливное устройство – это вид бондарного изделия, в которое входит деревянное ведро с обручами, система вращения и кронштейны, позволяющие крепить все изделие к стене или потолку бани. Эта ось позволяет наклонять ведро вокруг оси, располагается горизонтально, выше центра тяжести ведра с водой.
Что входит в комплектацию устройства
Для большего удобства ведро может быть снабжено системой, которая автоматически подает свежую воду. Эта система идентична системе подачи воды в сливном бачке унитаза.
Для того чтобы ведро, заполненное водой, можно было наклонить или опрокинуть, к нему закрепляют веревку или нетолстую цепь. В зависимости от усилия, приложенного к веревке, регулируется количество выливаемой воды. Можно сделать так, чтобы вода выливалась небольшой струйкой, а можно так, что вода выльется сразу вся, водопадом.
Потяни за веревочку – получишь душ холодный
Из чего делают обливные устройства
Чаще всего подобные принадлежности для бани изготавливают из дерева следующих пород:
- кедр;
- лиственница обыкновенная;
- лиственница мореная;
- дуб обыкновенный;
- дуб мореный.
Именно у этих материалов наибольшая стойкость к воде, и поэтому они обладают самым длительным сроком службы, в то же время и их цена тоже выше. Конечно, и из других видов древесины, в частности из березы, ольхи или липы, могут быть изготовлены обливные системы, но той устойчивостью к влаге они уже не обладают.
В некоторых случаях, для предотвращения рассыхания деревянного ведра, внутренняя поверхность покрывается специальным пластиком.
Современные обливные устройства для сауны для бани обладают очень разнообразным дизайном и ассортиментом. Поэтому подбор подходящего вида, такого чтобы вписался в интерьер бани, не составляет большого труда
Особенно выделяется такая характерная особенность, как простота в обращении и компактность этих устройств. Независимо от того, какие они – 10-литровые или 30-литровые, принцип действия один – потянул за веревочку и получил ледяной душ.
Ну и конечно, наличие разнообразного дизайна и широкой гаммы цветов, способно удовлетворить любого владельца бани, каким бы взыскательным он ни был. Обливная система не только будет играть роль средства, с помощью которого обливаются холодной водой, но и будет служить дополнением к интерьеру любой сауны или бани.
Ну очень разнообразный дизайн
Естественная вентиляция
Естественный воздухообмен осуществляется за счет разницы плотности и температуры воздуха внутри постройки и снаружи. На силу тяги влияет:
- сечение каналов;
- направление и сила ветра;
- наличие поворотов;
- теплоизоляция системы.
Эта разновидность вентиляции основана на каналах, которые находятся в вертикальном положении. Пользуется большим спросом за счет доступности в финансовом плане и упрощенной конструкции. Система исключает наличие сложных элементов и механизмов, чем и обусловлена ее надежность. Что касается ее обслуживания, то здесь все довольно просто, достаточно всего лишь время от времени проводить ее осмотр. Свежий уличный воздух прогревается активнее. Поток в системе такой вентиляции не регулируется, что негативно отражается на микроклимате. Работает в бесшумном режиме.
Имеется у естественной вытяжки ряд существенных недочетов. В первую очередь стоит отметить ее зависимость от погодных условий. Летом, в жаркие дни, когда температура воздуха на улице выше, нежели на улице, вентиляции будет не под силу выполнить свои функции. В зимнее время наблюдаются серьезные теплопотери. Более того, в помещение открывается доступ пыли и насекомым.
Рейтинг лучших бюджетных ведер
Русская забава с пластиковой вставкой (ОПРЗ-10)
Хорошее бюджетное исполнение, которое предназначено для тех, кто посещает баню в небольшой компании – 2-3 человека. Конструкция отличается высокой прочностью и надежностью. Но самое главное здесь – простота. Не потребуется никаких специальных навыков, чтобы установить обливное устройство своими руками.
Все выполняется быстро и не занимает времени. Пластмассовая вставка обеспечивает дополнительную прочность, а также красиво смотрится, так как имеет приятный белый цвет. Все главные элементы и запчасти присутствуют в комплекте. Поэтому не придется постоянно ходить в магазин и искать нужную деталь.
Средняя стоимость – 1 830 рублей.
ведро обливное Русская забава с пластиковой вставкой (ОПРЗ-10)
Достоинства:
- Хорошее качество;
- Приятная обработка внешней стороны;
- Удобная цепочка;
- Внутренняя часть из прочного пластика;
- Простая установка.
Недостатки:
Обливное устройство 16 л с клапаном с пластиковой вставкой
Недорогой вариант, который отличается приятным исполнением и надежностью. В конструкции нет ничего сложного. Все выполнено надежно и прослужит не один год. В комплектации присутствуют необходимые материалы, которые упростят установку и сделают использование легким и удобным для каждого человека.
Чтобы добиться красивого внешнего вида, использовалась прочная древесина, которая ни имеет сучков. На производстве она полностью отшлифовалась, после чего пропиталась защитными составами. Это увеличивает срок службы продукта при повышенной влажности. Кроме того, человеку не потребуется постоянно ухаживать за деревом, что также преимущество.
Средняя стоимость – 2 950 рублей.
ведро обливное Обливное устройство 16 л с клапаном с пластиковой вставкой
Достоинства:
- Гладкая поверхность;
- Прочная пластиковая вставка;
- Комплектация;
- Качественная сборка;
- Длительный срок службы.
Недостатки:
Обливное Устройство 16 л Липа (Олп-16)
Прочная и долговечная конструкция, которая прослужит длительный период и не почернеет от частого применения. Изделие не только несет в себе полезную функцию, но дополнит банный интерьер. Как и в предыдущих конструкциях набирать воду придется самостоятельно. Однако это никак не повлияет на удобство.
Принцип работы механизма достаточно простой, требуется только потянуть за шнур, после чего вся холодная вода выльется на человека. После применения остаются только положительные впечатления. Для изготовления внешней части использовалась липа, при этом она прошла строгий контроль качества, где все некачественные варианты отсеялись. Объем воды – 16 литров.
Средняя стоимость – 1 800 рублей.
ведро обливное Обливное Устройство 16 л Липа (Олп-16)
Достоинства:
- Удобное крепление механизма, справится любой человека;
- Шнур изготавливается из прочной цепочки, которая не сломается от постоянного воздействия;
- Ведро выполнено из отборной липы;
- Внутренняя часть защищена от грибка и плесени благодаря пластиковой вставке;
- Объем 16 литров.
Недостатки:
Устройство слива в бане
В разных помещениях бани принято делать различные по конструкции и принципу работы сливные устройства. Существует три варианта построения слива в помещении бани:
- Фальшполы с проливными половицами. Часто используется в парилке, где должен быть теплый деревянный пол, обеспечивающий комфортное пребывание в условиях высокой температуры. Тогда как в моечном отделении традиционно используется плитка с уклоном и душевым трапом;
- Непротекающие полы. Вся жидкость, грязная вода остается на полу и смывается с поверхности через стандартный слив с сильфоном в септик или сборную емкость;
- Комбинированный вариант, используется только в небольших банях или в полноценных моечных отделениях бань. В современных проектах бани применяется ограниченно, как не соответствующий санитарным нормам.
Выбор конкретной схемы зависит от устройства фундамента, способа утепления и обустройства водяного затвора. Для небольших парилок и моечных отделений бани используется система двойных полов, это удобно, особенно, когда постройка установлена на свайном фундаменте. Если планируется строить коробку бани в виде пристройки к дому, то наиболее подходящим вариантом будет непротекающий пол со сливом чрез трап. Это упростит подключение канализации бани к общей системе удаления сточных вод здания.
Протекающие полы
Подобные варианты устройства слива в бане с деревянным полом еще назывались проливными. Суть конструкции заключалась в том, что верхняя часть пола представляла собой доски, уложенные с зазором до 10 мм, поэтому большая часть воды просто протекает через щели и собирается на нижнем ярусе или впитывается в грунт. При этом сами половицы, как правило, изготавливали с небольшим скруглением поверхности, что обеспечивало нормальный сток воды и сброс ее на нижний уровень в подпол. Один из вариантов слива воды в бане с деревянными полами представлен на схеме ниже.
Зазор между половицами помогает сушить пол
К преимуществам подобного устройства системы подбора и слива воды можно отнести:
- Простую уборку помещения;
- Отсутствие луж и остатков воды на поверхности на деревянных половицах;
- Долговечность лагов, утеплителя и деревянных деталей пола и системы слива.
Важно! Несмотря на то, что нижний ярус, на котором происходило накопление влаги и грязи, фактически остается закрытым чистовыми деревянными полами, вся система слива воды из бани хорошо приспособлена для вентиляции и просушки подпола.
Как правило, на нижний ярус выходят вентиляционные каналы от печи, расположенной либо в парилке, либо в предбаннике. По завершению банных процедур каналы открывались, раскупоривались вентиляционные окна в самой парилке или в моечном отделении, и теплый воздух от печи достаточно быстро высушивал и удалял следы воды, если она не была удалена через систему слива.
Непротекающий пол
Понятно, что изготовление проливных или палубных полов требует достаточно серьезных затрат, связанных с изготовлением двух уровней сбора воды, установкой сливной системы и подключением канализационной трубы, ведущей в приямок или в емкость септика.
Гораздо проще в процессе строительства сделать в бане классические бетонные полы с небольшим уклоном в сторону слива. Бетонная стяжка обязательно утепляется пенопластом или экструдированным пенополистиролом. Для обеспечения стока воды через систему используется классический вариант с коленом и гофровой трубой, либо можно установить более современный душевой трап.
Схема для слива с теплым полом для бани — пристройки к дому
При этом пол бани не обязательно покрывать плиткой, поверхность вполне реально можно облицевать деревянными половицами. Такое решение чаще всего используются для парилок. Количество воды, сбрасываемое через систему слива, относительно невелико, поэтому можно обойтись небольшим сливным патрубком, установленным в углу помещения.
Комбинированная схема слива воды для бани
Данный вариант организации слива воды традиционно используется для больших помещений бани с утепленным основанием и бетонным ленточным фундаментом.
Суть устройства системы слива заключается в том, что вода собирается в центре помещения в специальный желоб или приямок. Канал накрывается защитной решеткой, а сливные поверхности обычно закладываются решетчатыми настилами.
Водосборный канал или желоб обычно имеет дополнительный уклон, по которому вода стекает непосредственно в грунт либо в септик, размещенный в подполе бани. Конструкция достаточно простая, поэтому зачастую ее используют для дачных вариантов парилок и бань, построенных своими руками.
Обливное ведро для бани с пластиковым вкладышем

Сделать обливное ведро можно самым примитивным способом, доступным даже для людей, не имевших ранее никаких дел с древесиной. Для этого необязательно знакомиться с основами бондарства и учиться пользоваться специальными инструментами.
Пара-тройка простых действий поможет вам быстро смастерить деревянную емкость, стоящую немалых денег на торговых прилавках:
- Для начала подберите обыкновенное пластиковое ведро наиболее удачной расцветки. К примеру, белое или лазурно-голубое. Вода в такой емкости будет выглядеть весьма выигрышно.
Далее снимите с ведра ручку и любые другие имеющиеся элементы. Они вам совершенно не нужны. Не спешите их выбрасывать, возможно, они пригодятся в хозяйстве в будущем.
Заготовьте 25–30 не слишком широких отшлифованных деревянных планок. Их точное количество зависит непосредственно от размера пластикового ведра.
С помощью супер-стойкого клея прикрепите планочки к наружным стенкам пластиковой емкости, имитируя деревянное ведро. Стыки промажьте прозрачным силиконом.
Покройте «деревянную» емкость подходящим лаком и укрепите еще прочнее металлическими кольцами.
Деревянное обливное ведро с пластиковым вкладышем готово. Внешне его сложно отличить от натурального, при этом внутри оно соответствует всем возложенным требованиям.
Топ – 4 бюджетных металлических обливных вёдер в 2020 году
Печи Макс
1 место
Размеры: 39х30
ведро обливное Печи Макс
| Параметры | Характеристика |
|---|---|
| Объём | 15 л. |
| Производитель | Россия |
| Материал | нержавеющая сталь |
| Вид | водопад |
| Средняя цена | 3000 руб. |
Достоинства:
- дизайн;
- простота использования;
- прочная металлическая цепочка;
- долговечность.
Недостатки:
Отсутствуют.
Дизайн данной модели очень интересный. Непримечательные завитки у крепления придают интерьеру более загадочную атмосферу.
Novikoff
2 место
Габариты: 35х30
| Параметры | Характеристика |
|---|---|
| Объём | 10 л. |
| Производитель | Россия |
| Материал | нержавеющая сталь |
| Вид | водопад |
| Средняя цена | 3399 руб. |
ведро обливное Novikoff
Достоинства:
- оригинальное крепление из дерева;
- долговечность.
Недостатки:
Отсутствуют.
Модель очень удобна в использовании. Металл не требует особых условий эксплуатации, а также нет необходимости для использования специальной пропитки.
Ливень
3 место
Размеры: 48х4х56
| Параметры | Характеристика |
|---|---|
| Объём | 50 л |
| Производитель | Россия |
| Материал | нержавеющая сталь |
| Вид | перевёртыш |
| Средняя цена | 600 руб. |
ведро обливное Ливень 48х4х56
Достоинства:
- стоимость;
- можно подключить к стационарному накопительному баку;
- трёхклапанный механизм набора воды;
- возможно дополнительное украшение при помощи деревянных вставок.
Недостатки:
Отсутствуют.
Благодаря спусковому механизму вода равномерно покрывает тело человека.
Итс сауна
4 место
Габариты: 45х32
| Параметры | Характеристика |
|---|---|
| Объём | 20 л. |
| Производитель | Россия |
| Материал | нержавеющая сталь |
| Вид | перевёртыш |
| Средняя цена | 3650 руб. |
ведро обливное Итс сауна
Достоинства:
- деревянное крепление;
- долговечная водоналивная арматура;
- комфортная эксплуатация;
- простой монтаж.
Недостатки:
- непримечательный дизайн;
- хлипкая металлическая цепочка для спуска воды.
Устройство полностью подходит для долгого использования в помещении с высокой температурой. Автоматическая подача воды работает без перебоев.
Бюджетные вёдра из стали являются отличным вариантом для тех, кто не хочет тратить огромную сумму на обливное устройство. К тому же внешне они также не слишком отличаются от дорогих моделей, которые можно увидеть ниже.






![8 + рекомендаций по выбору и установке обливного устройства для бани [+6 фото]](https://par-torg.com/wp-content/uploads/f/a/9/fa979f9577c181ee402fa970f7c45334.jpg)
![8 + рекомендаций по выбору и установке обливного устройства для бани [+6 фото]](https://par-torg.com/wp-content/uploads/7/6/4/7640691b4dbd521500f567a320d7152b.jpg)






















![Ведро для бани [сауны]: устройство для обливания своими руками](https://par-torg.com/wp-content/uploads/0/d/4/0d446ea25902f624f7dbd791a1cd3564.jpeg)


























